Ukázky prací žáků

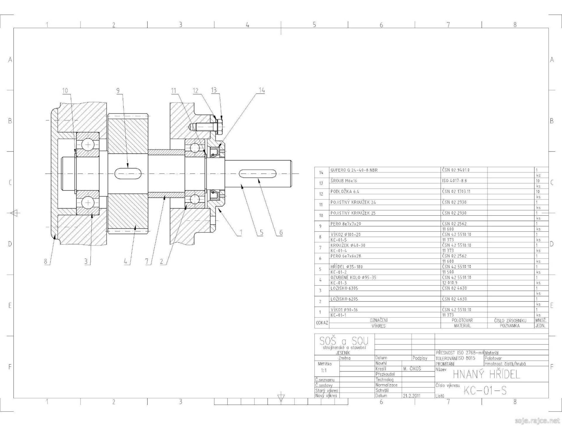
Ukázky prací studentů v programech CAD, konkrétně AutoCAD a Inventor. Jedná se o vybrané práce studentů z oboru Strojírenství za dobu existence SPŠ Jeseník.

Úspěch v soutěži WELD SKILL 2021

Filip Vaníček obsadil 2. místo v mezinárodní soutěži WELD SKILL 2021 Skvělého úspěchu dosáhl strojní mechanik Filip Vaníček, žák 3. ročníku Střední průmyslové školy v Jeseníku. Na mezinárodní soutěži WELD SKILL, pořádané firmou Weldcrew, obsadil se svým robotem krásné druhé místo. Filipe, jak ses o soutěži dozvěděl a proč ses přihlásil? O soutě ... (více)

Fotografie
agt-sestavazvedaku.jpg
audi3.jpg
audi4.jpg
audi6.jpg
audi10.jpg
automobilovyelektron.jpg
autotechnic.jpg
baskytara.jpg
blek.jpg
brtekmchaka.jpg
celoodpruenkolo.jpg
crlkvha.jpg
disketa.jpg
ditmarsvrka.jpg
dlaba.jpg
dobsikbryle.jpg
douek-sestavadla.jpg
ebk-kombinaky.jpg
hakapepravka.jpg
haraznbagr.jpg
hazuchapst.jpg
heko-sestavapevodu.jpg
iko-hnanhdel_sestava-model.jpg
jankes.jpg
kladka.jpg
klampa.jpg
klet.jpg
kolekklet.jpg
konev.jpg
kroupa.jpg
krtklitkolo.jpg
k-sestava-kulikovpero.jpg
kubina.jpg
kubina-pevnaspojka2.jpg
lakbagrunc.jpg
lovenezlobse2.jpg
machalekvlek.jpg
msek.jpg
odpruenvidlice-1.jpg
odpruenvidlice-vkres.jpg
pant.jpg
pant-vkres.jpg
pastrnaktank.jpg
peczakuchy.jpg
perdoch.jpg
piterka-sestava.jpg
povsk.jpg
prochzka.jpg
rada-hk.jpg
rada-letadlo.jpg
rada-letadlo1.jpg
rada-usb.jpg
rada-vlek.jpg
radochrovka.jpg
sideridis-sestava.jpg
skoupil.jpg
slavk-kolo.jpg
splovskletadlo.jpg
stastnparnivalec.jpg
tiakbench.jpg
tiaknprava.jpg
tomekauto.jpg
vavreka-zmenicksvrka.jpg
vkovek.jpg
vlek.jpg
vrbian.jpg
vstanky.jpg
zaalporsche.jpg
zaalsthaka.jpg
zaalsthakaf15.jpg
zcha-sestava-certifikt.jpg
zlusklavicenaramena.jpg